Конденсаційні котли FGB
Створений для Вас
Котли серії FGB виробляються двох потужностей (28 та 35 кВт) і двох типів (одноконтурний і комбінований). Котел FGB пропонує все, що може запропонувати сучасний настінний конденсаційний котел, працюючий на природному або скрапленому газі. Зроблено в Німеччині.
Дизайн
Стильний корпус і компактні розміри пропонують безліч можливостей установки. Внутрішні компоненти виконані з надійних і довговічних матеріалів: трубна обв'язка з міді, литий теплообмінник з високоефективного сплаву алюмінію, гідравлічний блок з армованого скловолокна поліаміду, теплообмінник ГВП в комбінованих котлах з нержавіючої сталі. Проста конструкція моноблочного теплообмінника забезпечує легкість сервісного обслуговування. Високопродуктивний насос і вентилятор разом з високою теплопровідністю теплообмінника дозволяють даному котлу займати своє місце в класі А по енергетичній директиві ErP. В котел вбудовані всі необхідні компоненти: запобіжний клапан, конденсатовідвідник, розширювальний бак, відведення повітря і зворотний клапан димових газів, що дозволяє використовувати котли в системах зі спільними димоходами, наприклад в багатоквартирних будинках, та / або каскадних димоходах многокотлових установок. Швидка установка і обслуговування можуть проводитися однією людиною завдяки зручним кріпильним та з’єднувальним елементам.
Особливості
Конструкція камери згоряння забезпечує ідеальне згоряння та ефективний діапазон модуляції (до 1:6) при дуже низькому тиску газу. Вбудована автоматика керує за зовнішньою температурою (датчик – опція), сумісна зі всіма модулями керування Wolf, підтримує роботу з сонячними колекторами, дозволяє керувати через інтернет з використанням браузера або iOs / андроїд-додатку (iSM7e – опція). Онлайн-контроль для користувачів та інсталяторів дозволяє мати доступ к котлу з будь-якої точки світу для кращої діагностики, зміни параметрів, економії та комфорту. Великий екран показує важливу інформацію у доступному вигляді. Однією з переваг комбінованого котла є висока продуктивність по ГВП з діапазоном роботи від 2 до 16 літрів у хвилину разом зі швидким стартом, високою швидкістю адаптації та комфортної температури гарячої води. Нова можливість керування насосом знижує температуру зворотної лінії для додаткової конденсації, підвищує ефективність та забезпечує самоочищення теплообміннику.
Переваги для монтажника:
|
Переваги для споживача:
|
|
|
|
| ОДНОКОНТУРНИЙ КОТЕЛ | КОМБІНОВАНИЙ КОТЕЛ | ||||||
|---|---|---|---|---|---|---|---|
| Тип | FGB-24 | FGB-28 | FGB-35 | FGB-K-24 | FGB-K-28 | FGB-K-35 | |
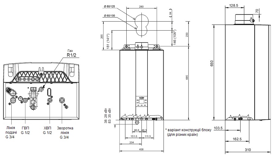
| Розміри (без адаптера димових газів) (ширина х глибина х висота) |
мм | 408 х 310 х 650 | 408 х 310 х 650 | 408 х 310 х 650 | 408 х 310 х 650 | 408 х 310 х 650 | 408 х 310 х 650 |
| Номінальна теплова потужність 80/60 °С | кВт | 19,4 / 23,31 | 24,4 / 27,31 | 31,1 / 34,01 | 19,4 / 23,31 | 24,4 / 27,31 | 31,1 / 34,01 |
| Номінальна теплова потужність 50/30 °С | кВт | 20,7 | 27,3 | 34,9 | 20,7 | 27,3 | 34,9 |
| Номінальне теплове навантаження | кВт | 20 / 241 | 25 / 281 | 32 / 351 | 20 / 241 | 25 / 281 | 32 / 351 |
| Мін. теплова потужність (модульована) при 80/60 °С |
кВт | 4,8 | 4,8 | 6,7 | 4,8 | 4,8 | 6,7 |
| Мін. теплова потужність (модульована) при 50/30 °С |
кВт | 5,3 | 5,3 | 7,5 | 5,3 | 5,3 | 7,5 |
| Мін. теплове навантаження (модульоване) | кВт | 4,9 | 4,9 | 6,9 | 4,9 | 4,9 | 6,9 |
| Ефективність | |||||||
| ККД при номінальній тепловій потужності і високотемпературному режимі Hi/Hs |
% | 97 / 87 | 98 / 88 | 98 / 88 | 97 / 87 | 98 / 88 | 98 / 88 |
| ККД при номінальній тепловій потужності і низькотемпературному режимі Hi/Hs |
% | 110 / 99 | 110 / 99 | 110 / 99 | 110 / 99 | 110 / 99 | 110 / 99 |
| NOx клас | 6 | 6 | 6 | 6 | 6 | 6 | |
| Розширювальний бак | л | 8 | 8 | 8 | 8 | 8 | 8 |
| Максимально допустимий тиск в системі опалення | бар | 3 | 3 | 3 | 3 | 3 | 3 |
| Загальна вага | кг | 27 | 30 | 35 | 27 | 30 | 35 |
| Електропідключення | 230 V, 50 Hz | 230 V, 50 Hz | 230 V, 50 Hz | 230 V, 50 Hz | 230 V, 50 Hz | 230 V, 50 Hz | |
| Продуктивність по ГВП при ΔT = 30K | л/хв | - | - | - | 10,55 | 13,4 | 16,3 |
| Підключення подачі повітря | мм | 100 | 100 | 100 | 100 | 100 | 100 |
| Підключення димових газів | мм | 60 | 60 | 60 | 60 | 60 | 60 |
| Роздрібна ціна | € | 1 600,00 | 1 600,00 | 1 600,00 | 1 600,00 | 1 600,00 | 1 600,00 |
| Акційна ціна | € | 1 200,00 | 1 200,00 | 1 200,00 | 1 200,00 | 1 200,00 | 1 200,00 |
1 - режим нагріву / режим ГВП



