Вибір схеми котельні з настінними побутовими газовими котлами WOLF
Існує багато схем котельних, які застосовуються на практиці. Але є всього три основні схеми, які є «азбукою» опалювальної техніки.
Схема 1. Двоконтурний котел, який працює на опалення та на гаряче водопостачання

Це найбільш проста та найбільш економна схема. Це її перевага. Недоліком такої схеми є її область застосування. Схема 1 застосовується для одного опалювального контуру, безпосередньо під’єднаного до котлу (наприклад, або опалення, або тепла підлога) та ГВП з 2-ох точок водорозбору, що працюють одночасно. Котел 28 кВт – душ 18 кВт та 9 кВт мийка кухні. Котел 35 кВт – 2 душа по 17,5 кВт. При цьому вмикання другої точки водорозбору призводить до зміни температури гарячої води у вже працюючий точці. При двоконтурному котлі неможливо застосовування рециркуляції ГВП, тобто водорозбірні крани повинні бути максимально наближенні до котлу. Під час роботи ГВП опалення вимкнено.
В базовій комплектації температура системи опалення встановлюється на регуляторі вручну. Але при цьому є можливість доукомплектувати котел:
- Датчиком температури зовнішнього повітря. Система опалення буде працювати автоматично по опалювальному графіку.
- Блоком керування BM-2. Система буде працювати по температурі зовнішнього та внутрішнього повітря та добовій та тижневій часовим програмам.
- Модулем ISM7 для контролю та дистанційного керування котлом через інтернет.
Схема 1 використовується найчастіше за інші.
Схема 2. Одноконтурний котел, працюючий на опалення та гаряче водопостачання

Схема 2 є другою за масовістю застосування. Її областю застосування є один опалювальний контур, який безпосередньо під’єднаний до котла (наприклад, або радіатори, або тепла підлога) та комфортне гаряче водопостачання за допомогою ємкісного бойлера. Можливе одночасне використання декількох точок водорозбору з постійною температурою гарячої води. Можливе підключення рециркуляційного насосу ГВП для підтримання необхідної температури гарячої води безпосередньо біля водорозбірного крану, віддаленого від котла. Головне, щоб об’єм ємкісного бойлера ГВП був правильно розрахований з урахуванням об’єму ванної та працюючих кранів ГВП. Недолік схеми – під час роботи ГВП опалення вимкнено.
В базовій комплектації температура системи опалення встановлюється на регуляторі вручну. Але при цьому є можливість доукомплектувати котел:
- Датчиком температури зовнішнього повітря. Система опалення буде працювати автоматично по опалювальному графіку.
- Блоком керування BM-2. Система буде працювати по температурі зовнішнього та внутрішнього повітря та по добовій та недільній часовим програмами.
- Модулем ISM7 для контролю та дистанційного керування котлом через інтернет.
- Бівалентним бойлером ГВП та сонячними колекторами, що використовують сонячну енергію для нагріву гарячої води.
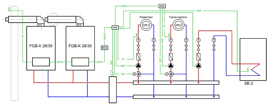
Схема 3. Каскад з котлів, що працюють на опалення та ГВП

Ця схема використовується, якщо потреби замовника неможливо задовольнити за допомогою одного побутового котла. Побутовий котел, це котел максимальною потужністю 40 кВт. У більшості виробників – 35 кВт. Вимогливий замовник повинен знати, що один котел 35 кВт не може працювати на опалення та на ГВП одночасно, в основному через великі пікові навантаження на ГВП. Для одночасної роботи на опалення та на ГВП використовується схема 3.
Для вимогливих замовників фірма Wolf пропонує каскадувати побутові газові настінні котли. Можлива робота до п’яти котлів потужністю 28 або 35 кВт та до семи опалювальних контурів зі змішувальними клапанами плюс контур ГВП.
Каскад котлів має дві основні переваги:
- Надійність за рахунок резервування обладнання. Каскад з двох котлів по 35 кВт є більш надійним, ніж один котел потужністю 70 кВт.
- Ціна. Каскад з двох котлів по 28 кВт дешевше ніж один котел потужністю 60 кВт. Каскад з двох котлів по 35 кВт дешевше ніж один котел потужністю 70 кВт. Каскад з трьох котлів по 35 кВт дешевше ніж один котел потужністю 100 кВт.
Але є недолік – каскад котлів потребує більше місця в котельні, ніж один котел такої ж потужності.
В базовій комплектації каскад забезпечений:
- Датчиком температури зовнішнього повітря. Система опалення працює по опалювальному графіку.
- Блоком керування BM-2. Система може працювати по температурі зовнішнього та внутрішнього повітря та по добовій та недільній програмам.
Можливо доукомплектувати каскад котлів:
- Модулем ISM7 для контролю та дистанційного керування через інтернет.
- Бівалентним бойлером ГВП та сонячними колекторами, що використовують сонячну енергію для нагріву гарячої води.